Pa lăng cân bằng Tigon TW-5 / TW-5 Tigon Spring Balancer

Tình trạng: Hàng mới 100%
Giá: Liên hệ
Hiệu lực giá bán:
  • Model: TW-5
  • Tải trọng: 2.5-5kg
  • Cáp dài: 1.3 mét
  • Xuất xứ: Hàn Quốc
  • Nhà sản xuất: Mijin System Inc.

TW Series Tigon Spring Balancer

  • TOOL SUSPENSION: No power source nessary while holding and stabilizing tools. Ergonomically beneficial/efficient by alleviating tool's weight and worker fatigue while completing repetitive tasks.
  • LIGHT WEIGHT: Zero gravity balancer makes tools feel virtually weightless and maximizes efficiency and accuracy while operating. Adjustable tension and cable length.
  • WORKPLACE SAFETY: Keeps the work environment safe and the workplace clear of tools, fixtures, etc.
  • MATERIALS: Aluminum casing and drum, steel cable
  • Without an internal spring, the zero gravity balancer can support a heavier weight capacity than a normal balancer. When the operator releases the tool, it remains at the same position and will not fully retract. Overall, this useful tool increases worker efficiency and safety while decreasing worker fatigue.
  • Main hanger rotates 360°
  • Additional tool clips are attached on the upper and lower sides
  • Prevents the attached tool from free falling when a spring breaks
  • Includes a gauge to sense tension control quanitity
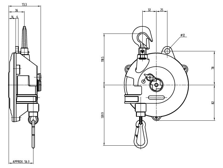
  • TW-5 Mijin Spring Balancer Drawing


    TW Series Mijin Spring Balancer

    Model Capacity
    (kg)
    Stroke
    (m)
    Mass
    (kg)
    TW-00 0.5~1.5 0.5 0.2
    TW-0 0.5~1.5 1.0 0.5
    TW-3 1.0~3.0 1.3 1.4
    TW-5 2.5~5.0 1.3 1.5
    TW-9 4.5~9.0 1.3 3.4
    TW-15 9.0~15 1.3 3.8
    TW-22 15~22 1.5 7.2
    TW-30 22~30 1.5 7.6
    TW-40 30~40 1.5 9.8
    TW-50 40~50 1.5 10.4
    TW-60 50~60 1.5 11.6
    TW-70 60~70 1.5 11.8
    TW-90 70~90 2.1 27
    TW-105 85~105 2.1 29
    TW-120 100~120 2.1 30

    TW-3 / TW-5 Mijin Spring Balancer Instruction Manual


    TW-3 / TW-5 Mijin Spring Balancer Part List